6DL1131-6DF00-0PK0 SIEMENS Казахстан
О компании
Новости
    +7 702 300 20 02
    +7 702 300 20 02
    +7 718 278 17 47
    Заказать звонок
    E-mail
    info@dega-engineering.kz
    Адрес
    Ул. Сураганова 19/1Б офис 305, Павлодар, Казахстан

    dega engineering
    Режим работы
    Пн. – Пт.: с 9:00 до 18:00
    Каталог
    • ... и все, что Вам еще необходимо
      • Обзор заказных данных
    • Автоматизация и безопасность зданий
      • HVAC products      
        • Damper actuators
        • Home automation system
        • Meters
        • OEM products
        • Room automation
        • Sensors
        • Software, web server and system devices
        • Standard controllers
        • Thermostats
        • Valves and actuators
        • Variable speed drives
        • Можeт быть Вы хотите что-то ещё
      • Security      
        • SiPass
      • Пожарная безопасность      
        • Пожарообнаружение
      • Пожарная безопасность (GB)      
        • Fire protection systems
      • Системы для автоматизации зданий      
        • Desigo
        • Synco System
      • Технология электроустановки      
        • Heating, ventilation and air conditioning - primary control
        • System products and accessories
        • Защита от солнечных лучей, бликов и оптимальное использование естественного освещения
        • Комбинированные устройства
        • Модульная система быстрого монтажа
        • Мониторинг и управление
        • Освещение
        • Отопление, вентиляция и кондиционирование
        • Радиосистема GAMMA wave
        • Управляющие устройства
        • Устройства автоматизации и управления
        • Устройства ввода
        • Физические датчики
        • Шлюзы, интерфейсы
    • Приводная техника
      • DC-DC Converters      
        • Compact DC-DC Converters
        • Engineered DC-DC Converters
      • Двигатели переменного тока      
        • Низковольтные электродвигатели (стандартные промышленные двигатели)
        • Серводвигатели и двигатели главного движения
        • Система измерения SIMODRIVE sensor
      • Дополнительные компоненты      
        • Дроссели SIDAC-D
      • Инструментальное программное обеспечение      
        • Configuration with EPLAN
        • SINAMICS Startdrive commissioning tool and SINAMICS DCC option
        • STARTER commissioning tool and SINAMICS DCC option
        • Инструмент конфигурирования SIZER
        • Программный пакет Drive ES
      • Мотор-редукторы      
        • Мотор-редукторы
      • Преобразователи      
        • unused
        • Преобразователи постоянного тока
        • Стандартные преобразователи
    • Сервис
      • Analytics and Artificial Intelligence Services      
        • Condition Monitoring
        • Performance Analytics
      • Consulting Services      
        • Digitalization Consulting
        • Lifecycle Information Services
        • Technical Consulting
      • Engineering and Integration Services      
        • Industrial Connectivity Services
        • Integration
      • Industrial Cybersecurity Services      
        • Network Security Services
        • System Integrity Services
      • Support Services      
        • Technical Support
      • Запасные части      
        • Extended Warranty
        • Spare Parts Concepts
      • Модернизация и оптимизация производства      
        • Migration for Automation Systems
        • Modernization for Process Control Systems
      • Сервисные контракты      
        • Service Contracts for Drive Systems
        • Service Contracts for Machine Tools
      • Служба полевой технической поддержки      
        • Preventive Maintenance
    • Системные решения и продукты для отраслей
      • Автомобильная промышленность      
        • TRANSLINE HMI
      • Производственные машины      
        • Cranes
        • General Motion Control
        • Компоненты автоматизации для станков
    • Техника автоматизации
      • Industrial Edge      
        • Industrial Edge apps
        • Industrial Edge devices
      • Industry software      
        • Digital Applications and Services for Process Industries
        • SIMIT Simulation
        • ПО для искусственного интеллекта
        • Программное обеспечение для систем автоматизации
      • Анализаторы процесса      
        • Analytical Application Sets
        • General information
        • Непрерывные анализаторы газов, эктрактивные
        • Непрерывный газовый анализ, in-situ
        • Промышленные газовые хроматографы
      • Блоки питания SITOP      
        • Advanced power supplies
        • Basic power supplies
        • SITOP в исполнении SIMATIC
        • Standard power supplies
        • Аксессуары
        • Блоки бесперебойного питания DC-UPS
        • Дополнительные компоненты
        • Преобразователи DC/DC
        • Специальное исполнение и назначение
      • Контрольно-измерительные приборы      
        • Process controlling and protection
        • Services for Process Instrumentation
        • Измерительные преобразователи для давления
        • Коммуникации и программное обеспечение
        • Приборы измерения температуры SITRANS T
        • Расходомеры
        • Технологии взвешивания
        • Уровнемеры
      • Продукты для специальных требований      
        • Condition monitoring systems
        • Customized Automation
        • Electrical Charging Components
        • I/O systems for heating elements
        • SIDOOR automatic door controls
        • Модули с расширенным температурным диапазоном SIPLUS
        • Системы телеметрии
      • Промышленные коммуникации SIMATIC NET      
        • AS-интерфейс
        • Industrial Ethernet
        • PROFIBUS
        • PROFINET
        • Rugged Communication
        • SIMATIC Modbus/TCP
        • SINAUT ST7
        • Информационная безопасность в промышленности
        • Промышленная беспроводная связь
      • Промышленные аппараты управления SIRIUS      
        • Transformers
        • Аппаратура защиты
        • Блоки питания SIRIUS 4AV
        • Дроссели SIDAC-D
        • Коммутационные аппараты SIRIUS
        • Оборудование безопасности
        • Планирование и конфигурирование для SIRIUS
        • Позиционные выключатели и выключатели для систем безопасности
        • Системы
        • Устройства управления и индикации
        • Фидеры и пускатели двигателей
        • Фильтры SIDAC-F
        • Функциональные, коммутирующие реле и преобразователи
      • Системы автоматизации      
        • Motion Control - система SIMOTION
        • Промышленные системы автоматизации SIMATIC
        • Система соединителей/ шкафы управления
        • Системы автоматизации на базе СЧПУ SINUMERIK
      • Системы визуализации SIMATIC HMI      
        • Обзор систем отображения и контроля
        • Основные аксессуары HMI
        • Программное обеспечение SIMATIC HMI
      • Системы идентификации      
        • RTLS
        • Системы идентификации MOBY
        • Системы машинного зрения SIMATIC Machine Vision
      • Системы управления процессом      
        • SIMATIC PCS neo
        • Система управления процессом SIMATIC PCS 7
      • Управление на базе РС      
        • Industrial IoT gateway
        • PC-based Controller
        • Программный контроллер
        • Промышленные компьютеры
      • Еще
    • Энергетика
      • Medium-voltage - Power distribution      
        • Medium-Voltage Components
      • Автоматизация в энергетике и интеллектуальные сети      
        • Автоматизация подстанции
        • Защита
        • Контроль качества и измерение электроэнергии
        • Принадлежности
      • Автоматизация и безопасность зданий      
        • Low-Voltage Systems
        • Низковольное энергораспределение и установочная техника
    Каталог
    По всему сайту
    По каталогу
    Войти
    0 Сравнение
    0 Избранное
    Автоматизация и безопасность зданий Приводная техника Техника автоматизации Энергетика
    Каталог
    Каталог
    По всему сайту
    По каталогу
    Войти
    0 Сравнение
    0 Избранное
    Телефоны
    +7 702 300 20 02
    +7 718 278 17 47
    Заказать звонок
    0
    0
    • Кабинет
    • 0 Сравнение
    • 0 Избранное
    • +7 702 300 20 02
      • Назад
      • Телефоны
      • +7 702 300 20 02
      • +7 718 278 17 47
      • Заказать звонок
    • info@dega-engineering.kz
    • Ул. Сураганова 19/1Б офис 305, Павлодар, Казахстан

      dega engineering
    • Пн. – Пт.: с 9:00 до 18:00
    Главная
    Каталог
    Техника автоматизации
    Системы управления процессом
    SIMATIC PCS neo
    SIMATIC PCS neo system hardware
    Process I/O
    SIMATIC ET 200SP HA
    Digital I/O modules
    6DL1131-6DF00-0PK0
    6DL1131-6DF00-0PK0 SIEMENS Казахстан
    6DL1131-6DF00-0PK0 SIEMENS Казахстан
    6DL1131-6DF00-0PK0 SIEMENS Казахстан
    6DL1131-6DF00-0PK0 SIEMENS Казахстан
    6DL1131-6DF00-0PK0 SIEMENS Казахстан
    6DL1131-6DF00-0PK0 SIEMENS Казахстан
    6DL1131-6DF00-0PK0 SIEMENS Казахстан
    6DL1131-6DF00-0PK0 SIEMENS Казахстан

    6DL1131-6DF00-0PK0

    0
    Нет отзывов
    Характеристики
    Металлический фактор
    —
    Нет
    Единицы измерения
    —
    1 шт.
    Ean
    —
    4047622332078
    Товарный код
    —
    85389091
    Группа продукта
    —
    4D62
    Все характеристики

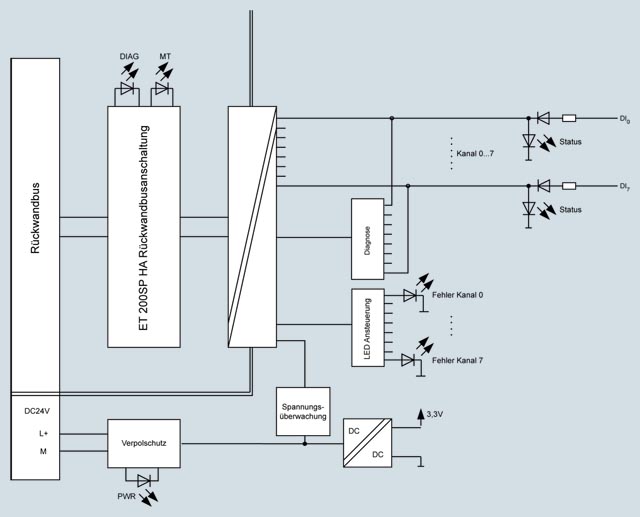
    SIMATIC ET 200SP HA, модуль дискретных входов, DI 8X24 ... 125VDC HA для установки на клеммные блоки K0, цветовой код CC42, поканальная диагностика

    Все описание
    Заказать
    Рассчитать доставку
    Гарантия 5 лет
    Цена действительна только для интернет-магазина и может отличаться от цен в розничных магазинах
    • Описание
    • Отзывы
    • Характеристики
    • Документы
    SIMATIC ET 200SP HA, модуль дискретных входов, DI 8X24 ... 125VDC HA для установки на клеммные блоки K0, цветовой код CC42, поканальная диагностика
    Отзывы
    Загрузка отзывов...
    Нет отзывов
    Добавить отзыв
    Металлический фактор
    Нет
    Единицы измерения
    1 шт.
    Ean
    4047622332078
    Товарный код
    85389091
    Группа продукта
    4D62
    Страна происхождения
    Германия
    Заказной номер (артикл)
    6DL1131-6DF00-0PK0
    Описание продукта
    SIMATIC ET 200SP HA, модуль дискретных входов, DI 8X24 ... 125VDC HA для установки на клеммные блоки K0, цветовой код CC42, поканальная диагностика
    Жизненный цикл продукта (plm)
    PM300:Активный продукт
    Экспортный контроль
    AL : N / ECCN : N
    Плановый срок отгрузки с завода (раб дни)
    10 День
    Вес нетто (кг)
    0,300 Кг
    Размеры упаковки
    3,50 x 15,00 x 13,00
    Единица измерения упаковки
    CM
    Количество в упакове
    1
    Ean/upc
    804766484285
    Каталог id
    STPCS7
    Код группы
    R336
    Compliance with the substance restrictions according to rohs directive
    RoHS, соответствует с: 23.05.17
    Класс продукта
    A: Standard product which is a stock item could be returned within the returns guidelines/period.
    6DL1131-6DF00-0PK0
    201,3 Кб

    Фотогалерея

    6DL1131-6DF00-0PK0
    6DL1131-6DF00-0PK0
    6DL1131-6DF00-0PK0
    Назад к списку
    Подписаться
    на новости и акции
    Каталог
    Компания
    Реквизиты
    Контакты
    +7 702 300 20 02
    +7 702 300 20 02
    +7 718 278 17 47
    Заказать звонок
    E-mail
    info@dega-engineering.kz
    Адрес
    Ул. Сураганова 19/1Б офис 305, Павлодар, Казахстан

    dega engineering
    Режим работы
    Пн. – Пт.: с 9:00 до 18:00
    info@dega-engineering.kz
    Ул. Сураганова 19/1Б офис 305, Павлодар, Казахстан

    dega engineering
    © 2026 ТОО "DEGA Engineering"
    Главная Каталог 0 Избранные Кабинет 0 Сравнение Акции Контакты Услуги Бренды Отзывы Компания Лицензии Документы Реквизиты Поиск Блог Обзоры