3RK1395-6LS71-3AD5 SIEMENS Казахстан
О компании
Новости
    +7 702 300 20 02
    +7 702 300 20 02
    +7 718 278 17 47
    Заказать звонок
    E-mail
    info@dega-engineering.kz
    Адрес
    Ул. Сураганова 19/1Б офис 305, Павлодар, Казахстан

    dega engineering
    Режим работы
    Пн. – Пт.: с 9:00 до 18:00
    Каталог
    • ... и все, что Вам еще необходимо
      • Обзор заказных данных
    • Автоматизация и безопасность зданий
      • HVAC products      
        • Damper actuators
        • Home automation system
        • Meters
        • OEM products
        • Room automation
        • Sensors
        • Software, web server and system devices
        • Standard controllers
        • Thermostats
        • Valves and actuators
        • Variable speed drives
        • Можeт быть Вы хотите что-то ещё
      • Security      
        • SiPass
      • Пожарная безопасность      
        • Пожарообнаружение
      • Пожарная безопасность (GB)      
        • Fire protection systems
      • Системы для автоматизации зданий      
        • Desigo
        • Synco System
      • Технология электроустановки      
        • Heating, ventilation and air conditioning - primary control
        • System products and accessories
        • Защита от солнечных лучей, бликов и оптимальное использование естественного освещения
        • Комбинированные устройства
        • Модульная система быстрого монтажа
        • Мониторинг и управление
        • Освещение
        • Отопление, вентиляция и кондиционирование
        • Радиосистема GAMMA wave
        • Управляющие устройства
        • Устройства автоматизации и управления
        • Устройства ввода
        • Физические датчики
        • Шлюзы, интерфейсы
    • Приводная техника
      • DC-DC Converters      
        • Compact DC-DC Converters
        • Engineered DC-DC Converters
      • Двигатели переменного тока      
        • Низковольтные электродвигатели (стандартные промышленные двигатели)
        • Серводвигатели и двигатели главного движения
        • Система измерения SIMODRIVE sensor
      • Дополнительные компоненты      
        • Дроссели SIDAC-D
      • Инструментальное программное обеспечение      
        • Configuration with EPLAN
        • SINAMICS Startdrive commissioning tool and SINAMICS DCC option
        • STARTER commissioning tool and SINAMICS DCC option
        • Инструмент конфигурирования SIZER
        • Программный пакет Drive ES
      • Мотор-редукторы      
        • Мотор-редукторы
      • Преобразователи      
        • unused
        • Преобразователи постоянного тока
        • Стандартные преобразователи
    • Сервис
      • Analytics and Artificial Intelligence Services      
        • Condition Monitoring
        • Performance Analytics
      • Consulting Services      
        • Digitalization Consulting
        • Lifecycle Information Services
        • Technical Consulting
      • Engineering and Integration Services      
        • Industrial Connectivity Services
        • Integration
      • Industrial Cybersecurity Services      
        • Network Security Services
        • System Integrity Services
      • Support Services      
        • Technical Support
      • Запасные части      
        • Extended Warranty
        • Spare Parts Concepts
      • Модернизация и оптимизация производства      
        • Migration for Automation Systems
        • Modernization for Process Control Systems
      • Сервисные контракты      
        • Service Contracts for Drive Systems
        • Service Contracts for Machine Tools
      • Служба полевой технической поддержки      
        • Preventive Maintenance
    • Системные решения и продукты для отраслей
      • Автомобильная промышленность      
        • TRANSLINE HMI
      • Производственные машины      
        • Cranes
        • General Motion Control
        • Компоненты автоматизации для станков
    • Техника автоматизации
      • Industrial Edge      
        • Industrial Edge apps
        • Industrial Edge devices
      • Industry software      
        • Digital Applications and Services for Process Industries
        • SIMIT Simulation
        • ПО для искусственного интеллекта
        • Программное обеспечение для систем автоматизации
      • Анализаторы процесса      
        • Analytical Application Sets
        • General information
        • Непрерывные анализаторы газов, эктрактивные
        • Непрерывный газовый анализ, in-situ
        • Промышленные газовые хроматографы
      • Блоки питания SITOP      
        • Advanced power supplies
        • Basic power supplies
        • SITOP в исполнении SIMATIC
        • Standard power supplies
        • Аксессуары
        • Блоки бесперебойного питания DC-UPS
        • Дополнительные компоненты
        • Преобразователи DC/DC
        • Специальное исполнение и назначение
      • Контрольно-измерительные приборы      
        • Process controlling and protection
        • Services for Process Instrumentation
        • Измерительные преобразователи для давления
        • Коммуникации и программное обеспечение
        • Приборы измерения температуры SITRANS T
        • Расходомеры
        • Технологии взвешивания
        • Уровнемеры
      • Продукты для специальных требований      
        • Condition monitoring systems
        • Customized Automation
        • Electrical Charging Components
        • I/O systems for heating elements
        • SIDOOR automatic door controls
        • Модули с расширенным температурным диапазоном SIPLUS
        • Системы телеметрии
      • Промышленные коммуникации SIMATIC NET      
        • AS-интерфейс
        • Industrial Ethernet
        • PROFIBUS
        • PROFINET
        • Rugged Communication
        • SIMATIC Modbus/TCP
        • SINAUT ST7
        • Информационная безопасность в промышленности
        • Промышленная беспроводная связь
      • Промышленные аппараты управления SIRIUS      
        • Transformers
        • Аппаратура защиты
        • Блоки питания SIRIUS 4AV
        • Дроссели SIDAC-D
        • Коммутационные аппараты SIRIUS
        • Оборудование безопасности
        • Планирование и конфигурирование для SIRIUS
        • Позиционные выключатели и выключатели для систем безопасности
        • Системы
        • Устройства управления и индикации
        • Фидеры и пускатели двигателей
        • Фильтры SIDAC-F
        • Функциональные, коммутирующие реле и преобразователи
      • Системы автоматизации      
        • Motion Control - система SIMOTION
        • Промышленные системы автоматизации SIMATIC
        • Система соединителей/ шкафы управления
        • Системы автоматизации на базе СЧПУ SINUMERIK
      • Системы визуализации SIMATIC HMI      
        • Обзор систем отображения и контроля
        • Основные аксессуары HMI
        • Программное обеспечение SIMATIC HMI
      • Системы идентификации      
        • RTLS
        • Системы идентификации MOBY
        • Системы машинного зрения SIMATIC Machine Vision
      • Системы управления процессом      
        • SIMATIC PCS neo
        • Система управления процессом SIMATIC PCS 7
      • Управление на базе РС      
        • Industrial IoT gateway
        • PC-based Controller
        • Программный контроллер
        • Промышленные компьютеры
      • Еще
    • Энергетика
      • Medium-voltage - Power distribution      
        • Medium-Voltage Components
      • Автоматизация в энергетике и интеллектуальные сети      
        • Автоматизация подстанции
        • Защита
        • Контроль качества и измерение электроэнергии
        • Принадлежности
      • Автоматизация и безопасность зданий      
        • Low-Voltage Systems
        • Низковольное энергораспределение и установочная техника
    Каталог
    По всему сайту
    По каталогу
    Войти
    0 Сравнение
    0 Избранное
    Автоматизация и безопасность зданий Приводная техника Техника автоматизации Энергетика
    Каталог
    Каталог
    По всему сайту
    По каталогу
    Войти
    0 Сравнение
    0 Избранное
    Телефоны
    +7 702 300 20 02
    +7 718 278 17 47
    Заказать звонок
    0
    0
    • Кабинет
    • 0 Сравнение
    • 0 Избранное
    • +7 702 300 20 02
      • Назад
      • Телефоны
      • +7 702 300 20 02
      • +7 718 278 17 47
      • Заказать звонок
    • info@dega-engineering.kz
    • Ул. Сураганова 19/1Б офис 305, Павлодар, Казахстан

      dega engineering
    • Пн. – Пт.: с 9:00 до 18:00
    Главная
    Каталог
    Техника автоматизации
    Промышленные аппараты управления SIRIUS
    Фидеры и пускатели двигателей
    Для использования в полевых условиях, высокая степень защиты
    Пускатели электродвигателей SIRIUS M200D
    Пускатели электродвигателей M200D для PROFIBUS / PROFINET
    Пускатель эдектродвигателя модуль M200D
    3RK1395-6LS71-3AD5
    3RK1395-6LS71-3AD5 SIEMENS Казахстан
    3RK1395-6LS71-3AD5 SIEMENS Казахстан
    3RK1395-6LS71-3AD5 SIEMENS Казахстан
    3RK1395-6LS71-3AD5 SIEMENS Казахстан
    3RK1395-6LS71-3AD5 SIEMENS Казахстан
    3RK1395-6LS71-3AD5 SIEMENS Казахстан
    3RK1395-6LS71-3AD5 SIEMENS Казахстан
    3RK1395-6LS71-3AD5 SIEMENS Казахстан
    3RK1395-6LS71-3AD5 SIEMENS Казахстан
    3RK1395-6LS71-3AD5 SIEMENS Казахстан

    3RK1395-6LS71-3AD5

    0
    Нет отзывов
    Характеристики
    Металлический фактор
    —
    LAO-----
    Единицы измерения
    —
    1 шт.
    Ean
    —
    4011209824393
    Товарный код
    —
    85371098
    Группа продукта
    —
    3722
    Все характеристики

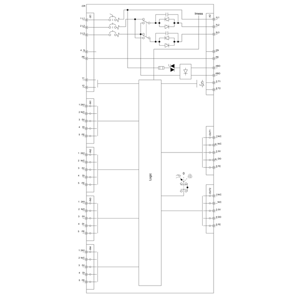
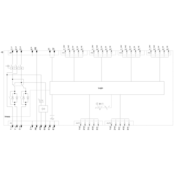
    ПУСКАТЕЛЬ ЭЛЕКТРОДВИГАТЕЛЯ SIRIUS M200D TECHНОLOGY МОДУЛЬ РЕВЕРСИВНЫЙ ПУСКАТЕЛЬ ELECTRONICAL SWITCHING 3 400V, AC/5,5КВТ, 1,5A...12,00A, ЭЛЕКТРОННАЯ ЗАЩИТА ОТ ПЕРЕГРУЗКИ, ТЕРМИСТОРНАЯ ЗАЩИТА: THERMOCLICK / PTC WITH BRAKE КОНТАКТ 180V DC 4DI / 2DO HAN Q4/2 - HAN Q8/0 WITH OPERATOR TERMINAL И KEY-OPERATED SWITCH USING A COMMUNICATIONS MODULE 3RK1305* USABLE WITH PROFIBUS OR PROFINET

    Все описание
    Заказать
    Рассчитать доставку
    Гарантия 5 лет
    Цена действительна только для интернет-магазина и может отличаться от цен в розничных магазинах
    • Описание
    • Отзывы
    • Характеристики
    • Документы
    ПУСКАТЕЛЬ ЭЛЕКТРОДВИГАТЕЛЯ SIRIUS M200D TECHНОLOGY МОДУЛЬ РЕВЕРСИВНЫЙ ПУСКАТЕЛЬ ELECTRONICAL SWITCHING 3 400V, AC/5,5КВТ, 1,5A...12,00A, ЭЛЕКТРОННАЯ ЗАЩИТА ОТ ПЕРЕГРУЗКИ, ТЕРМИСТОРНАЯ ЗАЩИТА: THERMOCLICK / PTC WITH BRAKE КОНТАКТ 180V DC 4DI / 2DO HAN Q4/2 - HAN Q8/0 WITH OPERATOR TERMINAL И KEY-OPERATED SWITCH USING A COMMUNICATIONS MODULE 3RK1305* USABLE WITH PROFIBUS OR PROFINET
    Отзывы
    Загрузка отзывов...
    Нет отзывов
    Добавить отзыв
    Металлический фактор
    LAO-----
    Единицы измерения
    1 шт.
    Ean
    4011209824393
    Товарный код
    85371098
    Группа продукта
    3722
    Страна происхождения
    Германия
    Заказной номер (артикл)
    3RK1395-6LS71-3AD5
    Описание продукта
    ПУСКАТЕЛЬ ЭЛЕКТРОДВИГАТЕЛЯ SIRIUS M200D TECHНОLOGY МОДУЛЬ РЕВЕРСИВНЫЙ ПУСКАТЕЛЬ ELECTRONICAL SWITCHING 3 400V, AC/5,5КВТ, 1,5A...12,00A, ЭЛЕКТРОННАЯ ЗАЩИТА ОТ ПЕРЕГРУЗКИ, ТЕРМИСТОРНАЯ ЗАЩИТА: THERMOCLICK / PTC WITH BRAKE КОНТАКТ 180V DC 4DI / 2DO HAN Q4/2 - HAN Q8/0 WITH OPERATOR TERMINAL И KEY-OPERATED SWITCH USING A COMMUNICATIONS MODULE 3RK1305* USABLE WITH PROFIBUS OR PROFINET
    Жизненный цикл продукта (plm)
    PM300:Активный продукт
    Экспортный контроль
    AL : N / ECCN : EAR99
    Плановый срок отгрузки с завода (раб дни)
    15 День
    Вес нетто (кг)
    3,500 Кг
    Размеры упаковки
    287,00 x 377,00 x 221,00
    Единица измерения упаковки
    MM
    Количество в упакове
    1
    Ean/upc
    662643544862
    Каталог id
    CC-IC10
    Код группы
    R711
    Compliance with the substance restrictions according to rohs directive
    RoHS, соответствует с: 01.07.06
    Класс продукта
    A: Standard product which is a stock item could be returned within the returns guidelines/period.
    3RK1395-6LS71-3AD5
    357,3 Кб

    Фотогалерея

    3RK1395-6LS71-3AD5
    3RK1395-6LS71-3AD5
    3RK1395-6LS71-3AD5
    3RK1395-6LS71-3AD5
    Назад к списку
    Подписаться
    на новости и акции
    Каталог
    Компания
    Реквизиты
    Контакты
    +7 702 300 20 02
    +7 702 300 20 02
    +7 718 278 17 47
    Заказать звонок
    E-mail
    info@dega-engineering.kz
    Адрес
    Ул. Сураганова 19/1Б офис 305, Павлодар, Казахстан

    dega engineering
    Режим работы
    Пн. – Пт.: с 9:00 до 18:00
    info@dega-engineering.kz
    Ул. Сураганова 19/1Б офис 305, Павлодар, Казахстан

    dega engineering
    © 2026 ТОО "DEGA Engineering"
    Главная Каталог 0 Избранные Кабинет 0 Сравнение Акции Контакты Услуги Бренды Отзывы Компания Лицензии Документы Реквизиты Поиск Блог Обзоры